METROLOG SG, s.r.o.
METROLOG SG, s.r.o.
Slovenská republika
Kontakt
Mapa stránky
|
ENGLISH
27 December 2025 06:28:25
METROLOG SG, s.r.o.
o nás
zameranie
základné údaje
fakturačné údaje
-----------------------------------------
naša vizitka
ponuka služieb
protiexplozívne poistky
monitorovacie systémy nádrží
vložkovanie nádrží
tvorba web stránok
referencie
aktuality
kontakt
PROTIEXPLOZÍVNE POISTKY
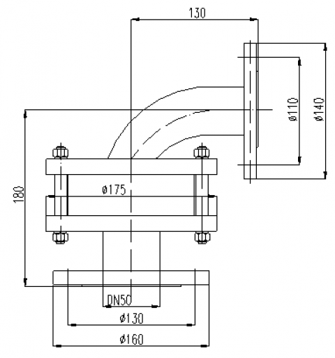
PROTIEXPOZÍVNA POISTKA SH1P/50-IIA rohová
Typ:
SH1P/50-IIA rohová
Charakteristika:
detonačná rohová (potrubná)
DN:
50
PN:
16
Hmotnosť:
15 kg
Detailný pohľad na poistku SH1P/50-IIA rohová
Schéma poistky SH1P/50-IIA rohová
Graf závislosti tlakových strát na prietoku
ATEX pre poistku SH1P/50-IIA rohová
späť
AKTUÁLNE
Pripravujeme ...
UŽITOČNÉ LINKY
webmail METROLOG SG
Protiexplozívne poistky
KONTAKT
METROLOG SG, s.r.o.
Kľačany 304
920 64 Kľačany
Slovenská republika
IČO: 36259772
DIČ: 2021799582
IČ DPH: SK2021799582
Mobile: +421 903 865 636
Email:
webservices@metrologsg.sk